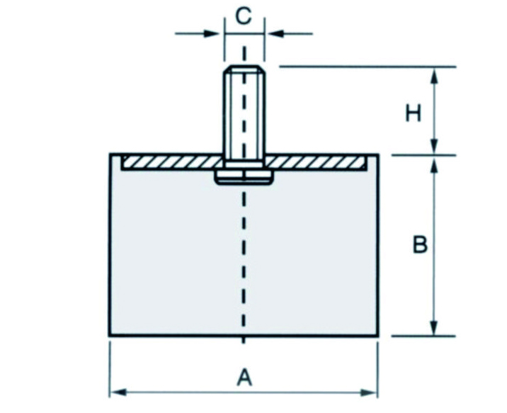
Цилиндрические опоры-буферы серии ДЭ
- Информация о продукте
Мы профилировали различные типы эластомеров по разным запросам.
Натуральный каучук (NR)
Преимущества: Выдающаяся устойчивость; высокая прочность на растяжение; превосходная устойчивость к разрыву и абсидированию; отличная эластичность отскока (защелка); хорошая гибкость при низких температурах (от -40 ° до 155 ° F).
Ограничения: плохая устойчивость к теплу, озону и солнечному свету; очень мала устойчивость к нефтяному бензину и углеводородным растворителям.
Рабочая температура не должна превышать 155° F.
Натуральный каучук не рекомендуется от воздействия масла, бензина, озона солнечных лучей.
Неопрен (CR)
Все данные статических нагрузочных испытаний для торсионных виброизоляторных® креплений основаны на неопрене.
Преимущества: Хорошая присущая огнестойкость; умеренная устойчивость к маслу и бензину; очень хорошая устойчивость к погодным условиям, озону и естественному старению; хорошая устойчивость к изгибу растрескивания; очень хорошая устойчивость к щелочам и кислотам.
Ограничения: Низкопроницаемость ароматических и насыщенных кислородом растворителей; ограниченная гибкость при низких температурах (от 10 ° F до 180 ° F).
Нитрил (Буна-Н)
Преимущества: Очень хорошая устойчивость к маслу и бензину; превосходная устойчивость к гидравлическим жидкостям на нефтяной основе; широкий диапазон рабочих температур (от -65 ° F до 300 ° F); хорошая стойкость к углеводородным растворителям; очень хорошая устойчивость к щелочам и кислотам.
Ограничения: Низкая устойчивость к озону, солнечному свету и естественному старению; плохая устойчивость к насыщенным кислородом растворителям.




